-

-
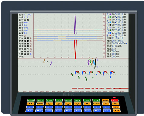
BSN-8C型钢轨超声波探伤仪
BSN-8C钢轨探伤仪,又称钢轨探伤车用来探测钢轨母材中的各种缺陷,如裂纹,夹杂,气孔等。此仪器具有自检功能。执行TB/T2340—2000《多通道A型显示钢轨超声波探伤仪技术条件》。适用于探测43kg/m~75kg/m钢轨母材中存在的各种缺陷。该仪器由以下三部分组成:主机,超声波探头,放耦合剂的水箱。以上三部分安装到手推车上。
- 全部
- 产品特点
- 技术参数
- 资料下载
- 工作原理
- 操作视频
- 保养保修
- 应用领域
BSN-8C型钢轨超声波探伤仪又称钢轨探伤车用来探测钢轨母材中的各种缺陷,如裂纹,夹杂,气孔等。此仪器具有自检功能。执行TB/T2340—2000《多通道A型显示钢轨超声波探伤仪技术条件》。适用于探测43kg/m~75kg/m钢轨母材中存在的各种缺陷。该仪器由以下三部分组成:主机,超声波探头,放耦合剂的水箱。以上三部分安装到手推车上。
该仪器具有如下特点:
■9个探测通道,其中:
0°通道一个;
37°通道两个(前37°、37°);
70°通道六个(前70°、后70°、前内70°、前外70°、后内70°、后外70°),这六个探头可以完整覆盖整个轨头。
■8.4寸军品漫反射彩色显示屏,屏幕亮度高,可以显示2.2米以上的B型图像,可在阳光下清晰显示图像,无镜面反射光。
■屏幕分辨率640×480,可以显示较多的信息,如作业参数等。
■超声波A型脉冲和B型图像同屏、同步、分区显示。具有有A型脉冲显示、B型图像显示两个区域和两个参数区。
■该仪器配有40个软触键键,操作十分简便,主要功能一键操作,可以节省现场操作时间,提高工作效率。
■具有探头自动检测功能,行进(探伤)作业中如果超声波探头发生故障,可在3米内发出提示报警。
■带有GPS 缺陷定位功能。
■具有全程自动记录探伤数据功能(作业路线、探伤速度、时间、报警情况、灵敏度等),每天形成一个独立的文件,可连续记录保存60天的探伤数据。
■配套微机播放软件。探伤作业记录的数据可以通过播放软件进行连续播放和分析。并可以对探伤仪探头的耦合进行全程评价。
■环境适应性好,可以在-40~50℃温度环境下工作。
■具有全防雨结构。
该仪器主要技术参数如下:
探测通道:9个通道(也可选用7通道)。
刷屏速度:60Hz/s。
探头工作频率: 2MHz。
重复探测频率:450Hz(每个通道)。
探测范围:
0~200mm±5mm(43kg/m和50kg/m钢轨)
0~250mm±5mm(60kg/m和75kg/m钢轨)
探测灵敏度余量:
执行TB/T 2340-2012
动态范围:≥30dB(抑制小),2~6dB(抑制大)。
水平线性误差:≤2%。
垂直线性误差:≤15%。
增益控制范围:0~80dB。
衰减器误差:每12dB不大于(小于)1dB。
报警阈值:
回波大于满幅度的70%(A-I通道反射式报警),回波小于回波满幅度的30%。
报警频率:
70通道:250Hz;37°通道:500Hz;0°通道:1000Hz。
全程记录储存文件:60天。
动态A脉冲图像文件:≥600分钟。
工作电压:21.6V(6节8A/h聚合物锂电池串联)。
额定功耗:≤8W。
工作温度:BSN-8C:-30℃~50℃,BSN-8C+:-40℃~50℃。
耦合剂容量:20L。
重量:25㎏(不含耦合剂)。
■9个探测通道,其中:
0°通道一个;
37°通道两个(前37°、37°);
70°通道六个(前70°、后70°、前内70°、前外70°、后内70°、后外70°),这六个探头可以完整覆盖整个轨头。
■8.4寸军品漫反射彩色显示屏,屏幕亮度高,可以显示2.2米以上的B型图像,可在阳光下清晰显示图像,无镜面反射光。
■屏幕分辨率640×480,可以显示较多的信息,如作业参数等。
■超声波A型脉冲和B型图像同屏、同步、分区显示。具有有A型脉冲显示、B型图像显示两个区域和两个参数区。
■该仪器配有40个软触键键,操作十分简便,主要功能一键操作,可以节省现场操作时间,提高工作效率。
■具有探头自动检测功能,行进(探伤)作业中如果超声波探头发生故障,可在3米内发出提示报警。
■带有GPS 缺陷定位功能。
■具有全程自动记录探伤数据功能(作业路线、探伤速度、时间、报警情况、灵敏度等),每天形成一个独立的文件,可连续记录保存60天的探伤数据。
■配套微机播放软件。探伤作业记录的数据可以通过播放软件进行连续播放和分析。并可以对探伤仪探头的耦合进行全程评价。
■环境适应性好,可以在-40~50℃温度环境下工作。
■具有全防雨结构。
探测通道:9个通道(也可选用7通道)。
刷屏速度:60Hz/s。
探头工作频率: 2MHz。
重复探测频率:450Hz(每个通道)。
探测范围:
0~200mm±5mm(43kg/m和50kg/m钢轨)
0~250mm±5mm(60kg/m和75kg/m钢轨)
探测灵敏度余量:
执行TB/T 2340-2012
动态范围:≥30dB(抑制小),2~6dB(抑制大)。
水平线性误差:≤2%。
垂直线性误差:≤15%。
增益控制范围:0~80dB。
衰减器误差:每12dB不大于(小于)1dB。
报警阈值:
回波大于满幅度的70%(A-I通道反射式报警),回波小于回波满幅度的30%。
报警频率:
70通道:250Hz;37°通道:500Hz;0°通道:1000Hz。
全程记录储存文件:60天。
动态A脉冲图像文件:≥600分钟。
工作电压:21.6V(6节8A/h聚合物锂电池串联)。
额定功耗:≤8W。
工作温度:-40℃~50℃。
耦合剂容量:20L。
重量:25㎏(不含耦合剂)。
铁路、地铁、高铁的钢轨,适合国内外全部钢轨,以检测50轨居多















